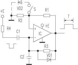
| 选择分类:当前分类——当前分类 相关联或者相类似的文章: 通过Flash学电子技术!电容篇(749) 饺子(749) LM567集成电路的应用 (749) 当前教师职业道德建设中存在的问题(749) 一般电器常用的十六种检查法(749) 电子基础知识--变压器工作原理(749) 当解剖刀划过时,尸体会不会疼?(749) 我居然遇到这样一个外贸公司!(749) 红血球的产生(748) 魂飞魄散前(748) 停尸间的歌声(748) 你一旦爱上电子技术(748) 常用场效应管及晶体管参数(747) 无线遥控门铃(747) 实用单键床头灯调光器(747) 玩与感觉统合(747) 网上赚钱宣传技巧介绍(747) 男孩子想做一位女孩子(747) 金属接近开关(746) 如何学习修理技术(745) 首页 前页 后页 尾页 本站推荐: | 单运放构成的单稳延时电路 单稳延时电路由接成电压比较器的单运放构成,电路如附图所示,有电路简单、调节延时方便等特点。 ![]() 常态时,IC输出保持低电平,这个状态是稳定的。当负脉冲经C1输入至反相端时,反相端电位低于同相端电位,输出端由低电平翻转为高电平,这个状态是不稳定的。此高电平经R1、R2分压后加至IC的同相端,使同相端电位高于反相端,从而保持高电平输出。同时,该高电平经R3和C2充电,当C2上电压被充至使反相端电位高于同相端电位时,其输出端又翻转为低电平。此时,同相端电位约为零,而C2上的电压经VD1迅速向输出端放电,使电路加速恢复到初始状态。电路稳定后反相端电位仍高于同相端电位,使输出低电平得以保持。 该电路的延时时间T不仅取决于R3、C2,而且还取决于R1、R2的分压比。所以,调节延时时间十分方便,既可调整C2、R3进行延时粗调,又可调整R2进行细调(分压比若取1/2~2/3,延时精度较高)。但是,该电路在上电时的状态是随机的,要使该电路上电后有唯一的输出状态,有两种方法:一是在电路中增加R4。这样,在上电时,由于C1上电压不能突变,电源电压经R4、C1加至反相端,即可置输出于低电平;二是在同相端与地之间接一只二极管VD2和一只开关S(如虚线所示)。上电时如输出为高电平,虽然这一状态是不稳定的,但如上所述,要经过时间T输出才为低电平,而实用上往往需要电路上电时即刻复位。为此,可在上电时先将S接通,若输出为高电平,则C2充电到0.7V即可使电路复位,大大缩短了电路上电复位的时间。复位后将S断开,电路即可正常工作。 实际应用中,若取R1为100kΩ,R2为200kΩ,则分压比为2/3,触发延时时间约为0.7R3×C2。C1可取0.1μF,R3可取10kΩ以上。IC可用单电源运放或比较器,如LM324或LM339。 成都 陈秋生 1、 本站不保证以上观点正确,就算是本站原创作品,本站也不保证内容正确。 2、如果您拥有本文版权,并且不想在本站转载,请书面通知本站立即删除并且向您公开道歉! |