注意:访问本站需要Cookie和JavaScript支持!请设置您的浏览器! 打开购物车 查看留言付款方式联系我们
初中电子 单片机教材一 单片机教材二
搜索上次看见的商品或文章:
商品名、介绍 文章名、内容
首页 电子入门 学单片机 免费资源 下载中心 商品列表 象棋在线 在线绘图 加盟五一 加入收藏 设为首页
本站推荐:
电子元器件使用须知(三)
文章长度[1601] 加入时间[2006/7/1] 更新时间[2025/12/15 16:25:17] 级别[3] [评论] [收藏]
7.电源变压器 初学者在制作直流稳压电源时,大多离不开电源变压器。在选购,使用电源变压器时应重点考虑以下几个方面。
(1)选购电源变压器 电源变压器一般选购市售产品。选购时,应考虑次级电压、电流与功率三个因。变压器次级电压与直流稳压电源输出直流电压大小有关。一般次级电压应比直流电压高2~3V,次级电流应大于等于直流稳压电源最大输出直流电流。变压器功率约为次级功率的1.2倍。例如,有一直流输出电压12V、输出电流1A、变压器功率应取15V、电流为1A、变压器功率为12V×1A=12W,变压器总功率取14.4W(实际取15W)

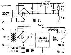
(2)控制调制交流声 电源变压器的次级线圈不仅能引进50Hz的交流电能,而且能从电网中引进各种高频的无线电波和其它干扰。在用作收音机或随身听稳压电源时,会出现令人讨厌的调制交流哼声。有些简易电源变压器初、次级线圈不有屏蔽层,为了抑制交流声可在变压器次级线圈对地接一只0.047~0.1μF的电容器,如图10所示。
在新窗口打开查看!
(3)次级电压过高 采用分立元件制作的稳压源可以解决电源变压器次级电压过高这一问题,但不如采用三端固定稳压器来得方便,既经济又能改进稳压电源的性能。
(4)次级电压过低 如果出现变压器次级电压低于最小输出电压的情况,可采用图11所示电路来提高稳压电源的直流输出电压。在输出端加接R1、R2两电阻、R1、R2决定新的输出电压值,即Vo=Vx(1+R2/R1)+IQR2。式中,Vx为三端固定稳压顺的标准稳压值,如7815的输出电流1.5A可以忽略不计。若R1、R2取值较小时,则直流稳压电源输出电压Vo=Vx(1+R2/R1)。
(5)变压器功率 电源变压器功率一般总是取值较大一些为好,但功率越大体积越大,价格亦越高。功率稍小一些为好,但功率越大体积越大,价格亦越高。功率稍小一些,同样可以使用,但使用时间长则容易发热,会给其它电子元件带来不利,依笔者之见,只要机器内容得下变压器,取功率稍大一些的电源变压器较为稳妥。
8.555时基电路 555时基集成电路是常用的电路之一,它有双极型(TTL)和互补金属氧化物半导体型(CMOS)集成电路两大类。每一大类又有单时基电路和双时基电路两种封装,如双极型的CB555单时基、CB556双时基电路,CMOS型有CB7555单时基、CB7556双时基电路。在使用555时基电路时应注意以下几个问题:
(1)电源电压和静态电流 使用555电路,首先应根据电路的电源电压大小来决定采用哪一种555电路。TTL型555电路使肜的电源电压是4.5~16V,CMOS型555电路电源电压是3V~18V。静态电流是空载时消耗的电流,TTL型555电路静态电流较小,约为0.12mA。静态功耗是电源电压与静态电流之乘积,由引可见,CMOS型555电路的静态功耗远远小于TTL型555JNKH。因此若采用干电池代电电路,使用CMOS555电路较为适宜。
(2)驱动电流 驱动电流亦叫负载电流。CMOS555电路驱动电流只有1~20mA,只能驱动LED指示灯及压电陶瓷峰鸣器等轻负载,若要驱动大的负载电机、继电器等,一般均在其输出端增加一级晶体管放大电路,如图12所示,而TTL555电路驱动电流可达200mA,足以带动微电机,继电器。
因此在实际应用中,在负载轻,要求功砂低和使用较低电源电压的场合,应使用CMOS555电路。而在负载较重的场合应使用TTL555电路。
1、 本站不保证以上观点正确,就算是本站原创作品,本站也不保证内容正确。
2、如果您拥有本文版权,并且不想在本站转载,请书面通知本站立即删除并且向您公开道歉! 以上可能是本站收集或者转载的文章,本站可能没有文章中的元件或产品,如果您需要类似的商品请 点这里查看商品列表!
本站协议 | 版权信息 |  关于我们 |  本站地图 |  营业执照 |  发票说明 |  付款方式 |  联系方式
深圳市宝安区西乡五壹电子商行——粤ICP备16073394号-1;地址:深圳西乡河西四坊183号;邮编:518102
E-mail:51dz$163.com($改为@);Tel:(0755)27947428
工作时间:9:30-12:00和13:30-17:30和18:30-20:30,无人接听时可以再打手机13537585389